今天小威为大家介绍一项国家发明授权专利——电能表外置断路器远程合闸装置。这个专利是我们威胜电气有限公司申请,并于2017年6月6日获得授权公告。
目前,国家电网公司、南方电网公司为解决费控电能表的控制需求,推出一款具有远程自动分合闸的断路器,该断路器除具有传统断路器的短路、过载保护功能以外,还可依据主站下发的合分闸命令,断路器执行相应合分闸动作的功能,此功能具体体现在,合闸后,断路器仍可以手动合闸、分闸操作。发明人研究发现,合分闸控制大多采用直流电机驱动,通过蜗轮蜗杆传动副、齿轮传动副进行减速,由于蜗轮蜗杆具有反向自锁性能,在合闸过程中若遇停电、掉电故障,此时断路器手柄处于卡死状态。断路器动静触头处于非电气安全隔离距离位置,此时为下一次来电造成重大安全隐患。另外目前实现远程合闸后的允许手动合分闸功能,大多采用驱动齿轮完成合闸动作后,驱动齿轮的施力部分再通过反向转动,远离手柄受力点,使动力脱离的方式,此路方式存在以下缺陷:1、控制逻辑较复杂;2、由于完成一个指令,需要电机进行频繁的正反转,降低电机的可靠性,严重可造成电机烧毁,酿成电气火灾事故;3、若发生位置检测失效时,齿轮间会发生堵转,在无人值守的情况下,堵转会造成整个产品失效。并造成电机烧毁。
本实用新型的目的在于提供一种自动合闸后能手动分合闸,且保证电机始终同向驱动,提高可靠性和稳定性的电能表外置断路器远程合闸装置。
本实用新型提供的这种电能表外置断路器远程合闸装置,它包括壳体以及连接于其上依次布置的驱动电机、减速机构、离合机构和合闸轴,离合机构包括同轴布置的主动齿轮和从动齿轮,从动齿轮与壳体之间设有使从动齿轮与主动齿轮啮合为一体的弹簧,合闸轴的一端固定于从动齿轮的轴心,另一端穿过弹簧伸入壳体内与各极断路器的手柄相连,驱动电机驱动从动齿轮旋转带动合闸轴旋转实现合闸。
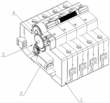
拿掉底壳后的轴侧示意图
为了便于传动,使所述主动齿轮为双联齿轮,双联齿轮包括大、小两个齿圈,大齿圈为径向齿圈,小齿圈为轴向齿圈。为了保证连接和传动的可靠性,使所述从动齿轮为能够与所述主动齿轮的小齿圈相互啮合的端面齿轮,从动齿轮的轮毂两端均伸出齿轮面外,一端为与所述主动齿轮连接的阶梯轴、另一端为连接头,连接头的轴向中心设有用于连接所述合闸轴的连接孔。
为了提高离合机构分离后啮合的可靠性,在所述从动齿轮的连接头端上设有用于放置所述弹簧的环形槽,环形槽的内径匹配于弹簧的内径,环形槽的外径匹配于弹簧的外径。
为了保证从动齿的运动可靠性,使所述壳体包括底壳和上盖,底壳内壁对应所述主动齿轮轴向中心位置处设有匹配于所述阶梯轴的导向槽,上盖内壁对应所述连接头位置处设有用于安装弹簧的定位柱。
为了保证减速效果,使所述减速机构为齿轮副,包括依次啮合的一级减速齿轮、二级减速齿轮和三级减速齿轮,所述驱动电机的输出轴上同轴连接有蜗杆,一级减速齿轮与蜗杆啮合,三级减速齿轮与所述主动齿轮啮合。
为了增大减速比的范围,所述二级减速齿轮和三级减速齿轮均为两个齿圈为直齿的双联齿轮。为了保证离合机构中从动齿轮能在主动齿轮的表面滑动,使所述端面齿轮的齿截面为等腰三角形。为了便于连接和定位,所述合闸轴为方轴,所述连接孔为匹配于所述合闸轴的方孔。
本实用新型使用过程中驱动电机输出的角速度经减速机构减速后传递至离合机构,离合机构旋转带动合闸轴转动实现合闸,离合机构由一对互相啮合的端面齿轮组成,该离合齿轮组由一圆柱弹簧作用于从动齿轮受力面,实现互相啮合,当合闸操作力堵转或超过非预期扭力时,从动齿轮压缩弹簧使其与主动齿轮脱离,既能实现合闸后的手动合分闸,也能在异常情况下对整个装置实现冲击保护,并且使用过程中驱动电机始终同向驱动,提高了可靠性和稳定性。
看完我们这款专利产品介绍的您,
是否对这款能大大提高供用电稳定性和可靠性的电能表外置断路器远程合闸装置感兴趣呢?
想了解更多?有意向采购应用这款专利产品?
欢迎您点击右侧在线咨询框与我们的专业客服人员取得联系,
同时,我们也欢迎您拨打威胜电气全国服务热线:0731-52808039


微信公众号
招聘信息